罗拉前驱

1577671163381222.png

详情 :
技术参数 电压24V/36V/48V
功率200W~350W
速度15km/h~30km/h
较大扭矩45N.m
较高效率81%
轮径16"-28"
减速比1∶5.17
极对数10对极
噪音<50dB
重量2.6kg
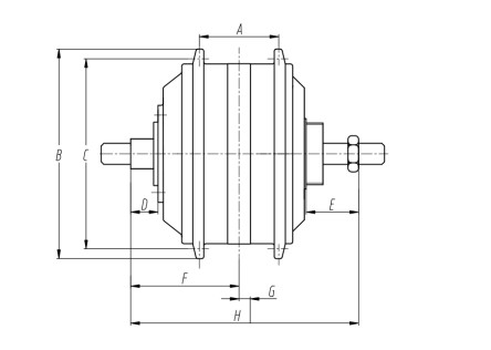
尺寸A
43
B132
C120.5
D
E
F57
G7
H100
安装要求安装位置前驱
刹车方式碟刹
电缆位置

产品推荐