后驱动盘式制动器

1577671163381222.png

详情 :
技术参数电压24V/36V/48V
功率200W~350W
速度15km/h~30km/h
较大扭矩45N.m
较高效率81%
轮径14"-28"
减速比1∶4.3/5.17
极对数10
噪音<50dB
重量2.5kg

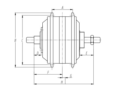
尺寸
A43
B132
C120.5
D15
E37
F61.5
G6
H135
安装要求安装位置前驱
刹车方式碟刹
电缆位置

产品推荐