雪地车用电机

1577675118659292.png

详情 :
技术参数电压24V/36V/48V
功率200W~500W
速度15km/h~30km/h
较大扭矩55N.m
较高效率81%
轮径20"
减速比1∶5
极对数8
噪音<50dB
重量4.8kg
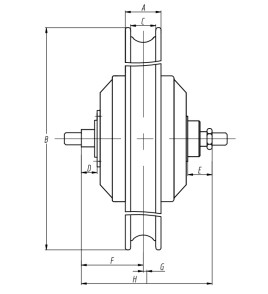
尺寸A
87
B420
C75
D15
E36
F85
G0
H170-195
安装要求安装位置前驱
刹车方式碟刹
电缆位置

产品推荐