详情:
技术参数电压24V/36V/48V
功率200W~350W
速度15km/h~30km/h
较大扭矩45N.m
较高效率81%
轮径24"
减速比1∶5.17
极对数10
噪音<50dB
重量3.8kg
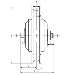
尺寸A
35
B524
C25
D15
E36
F67.5
G0
H135
安装要求安装位置前驱
刹车方式碟刹
电缆位置

产品推荐