In detail:
| Data | Voltage | 24V/36V/48V |
| Power | 200W~500W |
| Speed | 15km/h~30km/h |
| Maximum Torque | 55N.m |
| Maximum Efficiency | 81% |
| Wheel Size | 20" |
| Gear Ratio | 1∶5 |
| Pair of Poles | 8 |
| Noisy | <50dB |
| Weight | 4.8kg |
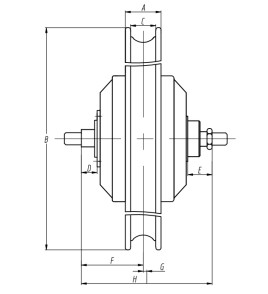
Dimension | A
| 87 |
| B | 420 |
| C | 75 |
| D | 15 |
| E | 36 |
| F | 85 |
| G | 0 |
| H | 170-195 |
Installation | Position | Rear |
| Brakes | Disc-brake |
| Cable Position | Right |