后驱动盘式制动器

1577671163381222.png

详情:
技术参数电压24V/36V/48V
功率200W~250W
速度15km/h~28km/h
较大扭矩40N.m
较高效率81%
轮径14"-28"
减速比1∶17.5/12.25/8.4
极对数8
噪音<55dB
重量1.35kg

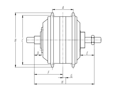
尺寸
A59
B101
C90
D15
E37
F61.5
G6
H135
安装要求安装位置前驱
刹车方式碟刹
电缆位置

产品推荐