盘式制动飞轮

1577514231175892.png

详情 :
技术参数电压24V/36V/48V
功率200W~350W
速度15km/h~30km/h
较大扭矩45N.m
较高效率81%
轮径16"-28"
减速比1∶5.17
极对数10
噪音<50dB
重量3.0kg

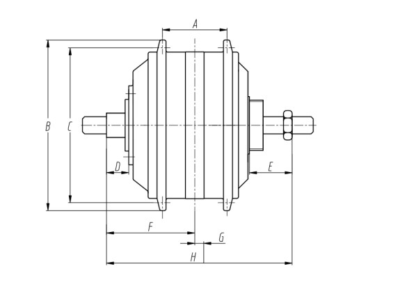
尺寸
A43
B129
C118
D15
E38
F62.5
G5
H135
安装要求安装位置前驱
刹车方式碟刹
电缆位置

产品推荐