详情 :
技术参数     电压24V/36V/48V                
功率200W~350W                
速度15km/h~30km/h                
较大扭矩45N.m
较高效率 81% 
轮径16"-28" 
减速比1∶5.17
极对数10
噪音<50dB
重量2.8kg

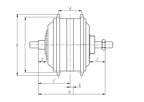
尺寸                
A43
B129
C118
D15
E41
F62.5
G8
H138
安装要求                安装位置前驱
刹车方式碟刹 
电缆位置
 

产品推荐