当前位置: 首页 > 产品 > 1 > 碟刹&飞轮

碟刹&飞轮

1577671171884473.png

详情:

技术参数电压24V/36V/48V
功率200W~350W
速度15km/h~30km/h
较大扭矩45N.m
较高效率81%
  轮径14"-28"
减速比1∶4.3/5.17
极对数10
噪音<50dB
重量2.5kg

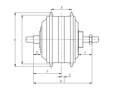
尺寸
A
43
B132
C120.5
D10
E
F56
G6
H100
安装要求安装位置前驱
刹车方式碟刹
电缆位置Left

产品推荐