详情:
技术参数电压24V/36V/48V
 功率200W~300W
速度15km/h~35km/h
较大扭矩25N.m
较高效率82%
轮径16"-20"
减速比/
极对数15
噪音<50dB
重量3.2kg
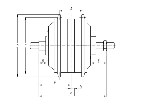
尺寸A45
B159
C146
D15
E37
F64
G3.5
H135
安装要求安装位置前驱
刹车方式碟刹
电缆位置

产品推荐