碟刹后驱

0.png

详情:

技术参数电压24V/36V/48V
功率200W~350W
速度15km/h~35km/h
较大扭矩70N.m
较高效率80%
轮径16"-28"
减速比1:4.4/1:8
极对数10
噪音<50dB
重量3.2kg

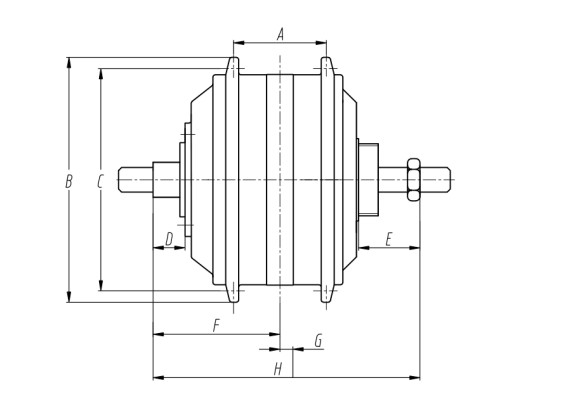
尺寸
A52
B132
C121
D15
E36.5
F66
G6.5
H145
安装要求安装位置前驱
刹车方式碟刹
电缆位置

产品推荐