后驱刹车

1577514231175892.png

详情 :
技术参数电压24V/36V/48V
功率200W~350W
速度15km/h~35km/h
较大扭矩45N.m
较高效率81%
轮径14"-28"
减速比1∶4.4/5.17
极对数10对极
噪音<50dB
重量3.0kg
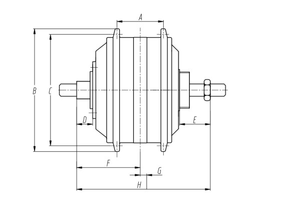
尺寸
A43.5
B143.5
C129
D10
E
F53.3
G2.6
H102
安装要求
安装位置前驱
刹车方式碟刹
               
出线方式Cable Position左Left/右Right

产品推荐